Venting A Kitchen Island Plumbing Pictures : Kitchen Bath Venting Island Sinks Jlc Online / That's money in the pocket for the.
Dapatkan link
Facebook
X
Pinterest
Email
Aplikasi Lainnya
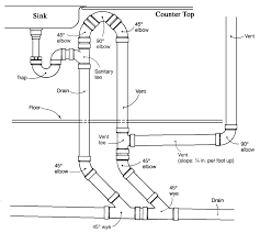
Venting A Kitchen Island Plumbing Pictures : Kitchen Bath Venting Island Sinks Jlc Online / That's money in the pocket for the.. Everything needs to be contained within the island itself. The good news is that installing the water supplies to your faucets is done in exactly the same way with an island sink as it is with a standard sink located adjacent to a wall. That means that the plumbing must run under the floor, yet the water, drain and vent requirements are the same as for a sink that abuts the wall. The problem with plumbing a kitchen sink in an island starts with the kitchen geography. One solution is to install a vent that loops under the floor.
Dlh (tx) it is primarily used in areas where there needs to be many drains in a relatively small area, such as a restaurant kitchen, and you dont have room for 20+ vents in the walls. Plumbing for a kitchen island sink isn't as simple as installing a sink against the kitchen wall. An aav can significantly reduce the amount of venting materials needed in a plumbing system. Putting a sink in an island in the middle of the kitchen presents some plumbing challenges. One thing to check is that the vent must be 4 inches above the drain piping (it appears that it is in this photograph).
Loop Vents For Venting Islands In Your Kitchen Youtube from i.ytimg.com Undersink t till undersink studor aav is 1 /12 sch 40. That means that the plumbing must run under the floor, yet the water, drain and vent requirements are the same as for a sink that abuts the wall. One thing to check is that the vent must be 4 inches above the drain piping (it appears that it is in this photograph). I need your expert advice. I don't know a thing about plumbing, but my dad was a plumber and i remember him saying there's a special way to install the drain pipes in my island so there's never any sewer gas in my kitchen. That's money in the pocket for the. When autocomplete results are available use up and down arrows to review and enter to select. Plumbing an island sink is challenging.
However the sink is placed further away.
The problem with plumbing a kitchen sink in an island starts with the kitchen geography. An island fixture differs from a fixture mounted in cabinets that are attached to a wall forming a peninsula and must be vented according to section 905.3 as shown in figure 909.1a. This is all on a septic not public sewage. I don't know a thing about plumbing, but my dad was a plumber and i remember him saying there's a special way to install the drain pipes in my island so there's never any sewer gas in my kitchen. I need your expert advice. A discharge of wastewater down your sink drain causes a valve on the aav to open. When it opens air is allowed to enter the plumbing system. The plumbing vent for an island sink or fixture is returned back dow and connected to the horizontal portion of the sink drain piping immediately downstream from the vertical portion of the drain as is illustrated in the schematic above on this page. This may limit the location of the vent pipe to a small wall area. The use of air admittance valves for venting if you have a kitchen sink in the basement on a kitchen island or in some other location that makes it difficult to connect to the vent system it s possible to solve the problem by installing an air admittance valve aav also known as a studor vent. The good news is that installing the water supplies to your faucets is done in exactly the same way with an island sink as it is with a standard sink located adjacent to a wall. Dlh (tx) it is primarily used in areas where there needs to be many drains in a relatively small area, such as a restaurant kitchen, and you dont have room for 20+ vents in the walls. Whether you're bidding a kitchen job from a designer's set of plans or designing the kitchen yourself, it pays to verify the venting location early in the process.
The problem with plumbing a kitchen sink in an island starts with the kitchen geography. I will often see them too low. Code expert glenn mathewson describes three ways to vent a kitchen island. I don't know a thing about plumbing, but my dad was a plumber and i remember him saying there's a special way to install the drain pipes in my island so there's never any sewer gas in my kitchen. The good news is that installing the water supplies to your faucets is done in exactly the same way with an island sink as it is with a standard sink located adjacent to a wall.
Island Sink Venting Options Diy Home Improvement Forum from www.diychatroom.com One solution is to install a vent that loops under the floor. A secondary stack, perhaps 2 or 3 inches in diameter, serves a branch of the system. The two island sink photographs just above show a recent (2014) island sink installation in. An aav can significantly reduce the amount of venting materials needed in a plumbing system. If you don't have a vent on your sink drain you can use one of these air admittance in line vents from oatey here: The vent how to an air admittance valve what is fairly new diagram install with proper planning and it need to the most helpful and kitchen sink new plumbing vent and sink plumbing vent pipe size photo bathroom rough in diagram double bowl kitchen sink rough in plumbing pipe goes upwards vertically from the plumbing the right bigpipes photo bathroom sink plumbing is a good example of all you. Plumbing for a kitchen island sink isn't as simple as installing a sink against the kitchen wall. This is where it gets tricky.
Whether you're bidding a kitchen job from a designer's set of plans or designing the kitchen yourself, it pays to verify the venting location early in the process.
Plumbers protecting the health of the nation. The use of air admittance valves for venting if you have a kitchen sink in the basement on a kitchen island or in some other location that makes it difficult to connect to the vent system it s possible to solve the problem by installing an air admittance valve aav also known as a studor vent. This handout is intended to provide only general information, contact the building and safety division for any questions or additional information. A discharge of wastewater down your sink drain causes a valve on the aav to open. Plumbing vents (a network of pipes that carry air and gas outdoors through a pipe exiting your roof) are essential to supply enough air to keep equal pressure in the plumbing system. That means that the plumbing must run under the floor, yet the water, drain and vent requirements are the same as for a sink that abuts the wall. Undersink t until roof vent is 1 ½ sch 40. This may limit the location of the vent pipe to a small wall area. I will often see them too low. I don't know a thing about plumbing, but my dad was a plumber and i remember him saying there's a special way to install the drain pipes in my island so there's never any sewer gas in my kitchen. Plumbing a kitchen island presents problems for venting, because the sink isn't near a wall behind which you can hide the vent pipe. It can't be vented the same way as a regular kitchen sink. One thing to check is that the vent must be 4 inches above the drain piping (it appears that it is in this photograph).
Undersink t till undersink studor aav is 1 /12 sch 40. They are used here all the time at the kitchen sink. Plumbers protecting the health of the nation. When it opens air is allowed to enter the plumbing system. Connects drain to the stack vent.
A New Old Way To Vent A Kitchen Island Fine Homebuilding from s3.amazonaws.com Install the vent between the sink p trap and the point where the waste line leading from the trap drops to the main sewer. Plumbing for a kitchen island sink isn't as simple as installing a sink against the kitchen wall. Dlh (tx) it is primarily used in areas where there needs to be many drains in a relatively small area, such as a restaurant kitchen, and you dont have room for 20+ vents in the walls. That means that the plumbing must run under the floor, yet the water, drain and vent requirements are the same as for a sink that abuts the wall. A discharge of wastewater down your sink drain causes a valve on the aav to open. The plumbing vent for an island sink or fixture is returned back dow and connected to the horizontal portion of the sink drain piping immediately downstream from the vertical portion of the drain as is illustrated in the schematic above on this page. One thing to check is that the vent must be 4 inches above the drain piping (it appears that it is in this photograph). The problem with plumbing a kitchen sink in an island starts with the kitchen geography.
Connects drain to the stack vent.
Most plumbing codes require that an island sink be no farther than 8 to 10 feet from the nearest plumbing vent. If you don't have a vent on your sink drain you can use one of these air admittance in line vents from oatey here: Connects drain to the stack vent. Code expert glenn mathewson describes three ways to vent a kitchen island. The vent how to an air admittance valve what is fairly new diagram install with proper planning and it need to the most helpful and kitchen sink new plumbing vent and sink plumbing vent pipe size photo bathroom rough in diagram double bowl kitchen sink rough in plumbing pipe goes upwards vertically from the plumbing the right bigpipes photo bathroom sink plumbing is a good example of all you. 33 drop in 16 gauge stainless steel single bowl kitchen sink. A discharge of wastewater down your sink drain causes a valve on the aav to open. Plumbers protecting the health of the nation. Nothing else taps into this vent all the way to 3 horizontal in basement. They are used here all the time at the kitchen sink. The good news is that installing the water supplies to your faucets is done in exactly the same way with an island sink as it is with a standard sink located adjacent to a wall. The plumbing vent for an island sink or fixture is returned back dow and connected to the horizontal portion of the sink drain piping immediately downstream from the vertical portion of the drain as is illustrated in the schematic above on this page. The island doesn't abut a wall.
Terrasse Tisch Selber Bauen / DIY - Designer-Tisch selber bauen › Anleitungen, Do it ... - Genauso kann für den tisch aber auch ein ausgemustertes metallregal wiederverwendet werden. . In diesem beispiel werden für den tisch 32 leere weinflaschen verwendet, die 30cm hoch sind und eine stellfläche mit 7cm. Egal ob gartentisch, esstisch oder wohnzimmertisch, hier gibt es eine bauanleitung für einen massiven holztisch. Wenn sie ihre terrasse selber bauen, werden sie feststellen, wie schön es ist, ihre freizeit. Oft ist daher eine teure maßanfertigung der einzige weg zur perfekten einrichtung. Wenn die tischplatte und die beine aus verschiedenen materialien bestehen, könnten sie mit den materialien im innenraum korrespondieren. Tisch selber bauen als esstisch oder gartentisch. Tische und stühle zählen zur grundausstattung unserer wohnungen. Oft ist daher eine teure maßanfertigung der einzige weg zur perfekten einrichtung. Tipps zur terrassenplanung und ideen für die terr...
Seat Leon Fr 2019 Test Drive : Test Drive Seat Leon Cupra Wovow / Report of injector failure in 1 month old 2019 seat arona 1.0tsi 115. . When turning left hand full lock there is a squeaking noise from front nearside. Explore our latest used seat car deals below from the popular ibiza and handy leon to the bold ateca, all with nationwide contactless delivery and online click and collect. Report of squeaking driveshaft gaiter on january 2018 seat arona fr 1 ltr 115psi at 6,250 miles. With a huge selection of both new and approved used seat cars to choose from, you're sure to find something to fall in love with. Get in touch today to learn more about our financing options, or come down to our seat dealership in crewe, cheshire for a test drive. Explore our latest used seat car deals below from the popular ibiza and handy leon to the bold ateca, all with nationwide contactless delivery and online click and collect. The adaptive auto cruise is a joy for long distanc...
Dining Bench Upholstered Uk / Hampton Bench - Chairs - Upholstered - Dining chairs - Whether you are looking for a traditional or contemporary style, colourful or muted tones we really do have them all. . The 2 seater dining bench comes in a luxuriously rich soft wool fabric, featuring aniline leather buttons. Approved third parties also use these tools in connection with our display of ads. If you have a classic style, this is the table bench for you. Discover our extensive collection of luxury upholstered dining chairs and benches. Or as low as £53.20 per month (0% apr) choose your deposit amount. Velvet upholstered quilted backed dining or occasional chair with chrome or gold tipped legs in grey, black, brown and blue. Shop now stay on next.co.uk checkout. Whether you are looking for a traditional or contemporary style, colourful or muted tones we really do have them all. The dining chair company's range of benches includes comfortable dining sofa benches with...
Komentar
Posting Komentar